Ga naar de hoofdinhoud Ga naar de zoekopdracht Ga naar de hoofdnavigatie

Omschrijving

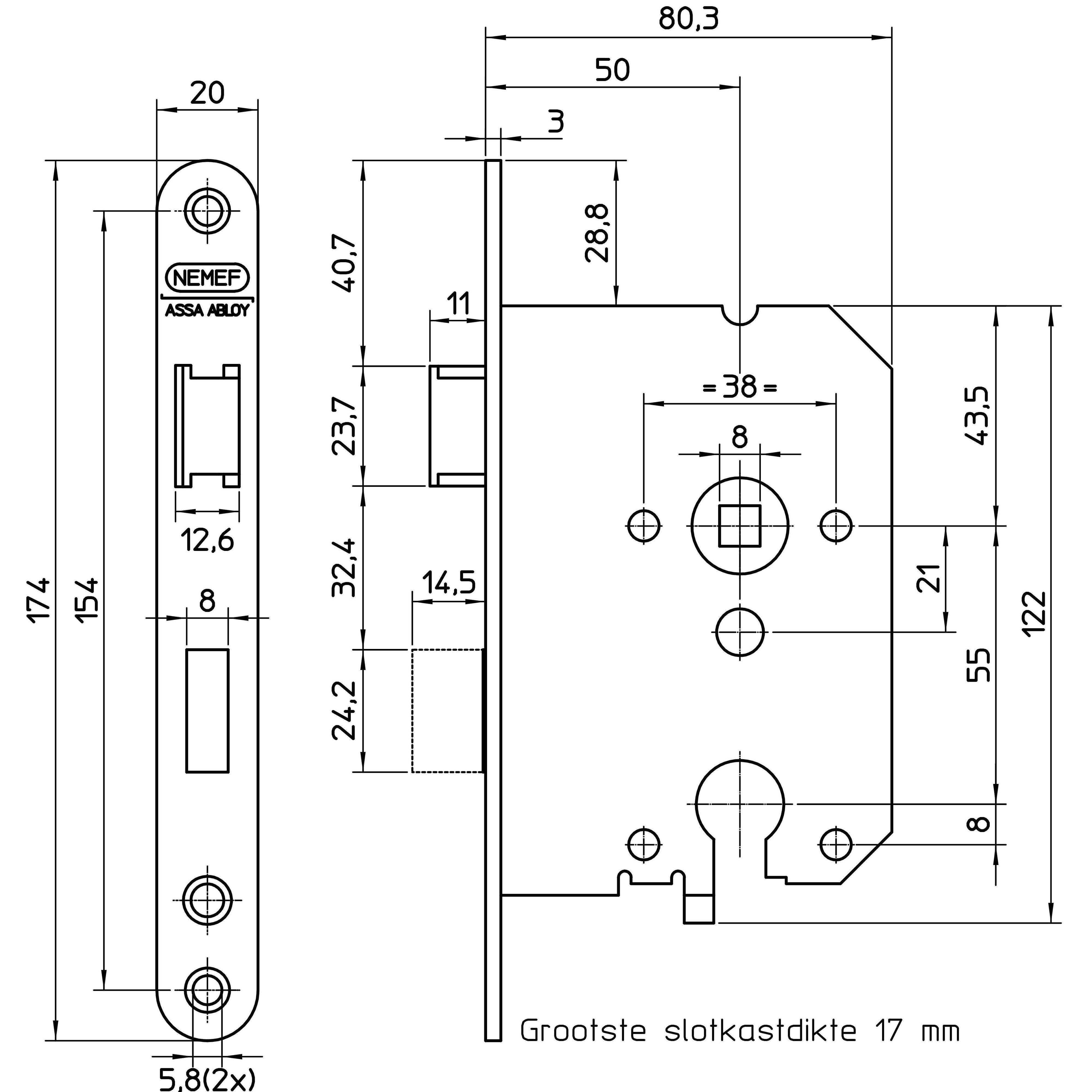
NEMEF DEURSLOT 1269/4

materiaal: slaat
Kleur : wit gelakt 
Draairichting: LR - links-rechts
Draairichting leverancier: Hollands rechts
Omlegbaar: ja
Hartafstand: 55 mm
Doornmaat: 50 mm
Afmeting voorplaat (HxBxD): 174x20x3 mm
Afmeting slotkast (HxBxD): 122x80x17 mm
Afwerking slotkast: Verzinkt
Inclusief sluitkom: nee
Inclusief sluitplaat: ja

Specificaties
  • Type insteekslot : cilinderslot
  • SKG normering : geen / PKVW : nee?
  • Hartafstand : 55 mm
  • Inclusief sluitplaat : ja
  • Inclusief sluitkom : nee
  • Inclusief bevestigingsmateriaal : -

Specificaties

Gewicht: 496 gram